Автоматический режим управления

Хранение пеллетных гранул производится в отдельно стоящем бункере, который связан с камерой сгорания. Автоматика позволяет задать недельную программу подачи гранул в котел. Кроме этого, автоматика по установленной программе будет включать или выключать горелку, что позволяет экономить расход топлива и поддерживать заданный температурный режим в зависимости от времени суток. Управление можно производить либо с помощью дистанционного пульта, либо используя кнопки на дисплее.
Бункер объемом от 200 до 300 литров обеспечивает непрерывную работу котла в течение трех дней. Для бесперебойной работы среднего по мощности котла в переделах 25 кВт, суточная норма составляет 5 кг. Можно произвести установку внешнего бункера, что позволит намного увеличить объем загрузки пеллет, тем самым увеличив время работы котла без вашего вмешательства. За работу горелки отвечает система управления, гранулы в камеру сгорания подаются малыми партиями, что исключает возможность перегрева. Если требуется отключить котел, то после нажатия функциональной кнопки его работа автоматически прекратиться через 5−10 минут, которое требуется для полного сгорания загруженной партии пеллет.
Сколько топлива понадобится на отопительный сезон?
Расход пеллет (М х) за ограниченный период времени считается по формуле:
М х=X/теплоёмкость топлива
, где Х – теплопотери в течение отопительного сезона, определяемые по формуле:
X = S×D×24×0,9×70
- , где S – отапливаемая площадь дома с учётом всех жилых и бытовых помещений;
- D – продолжительность отопительного сезона;
- 24 – количество часов работы котла в сутки;
- 0,7 – коэффициент работы котла;
- 70 – средняя теплопотеря в час (для типового жилого дома).
Для расчёта можно взять дом 150 м2 из предыдущего примера. Если отапливать его около 6 месяцев (175 дней) в году, то теплопотери составят X = 150×175×24×0,7×70= 30870 кВт за весь сезон или 177 кВт за день. Соответственно расход пеллет за этот же срок будет равен М1=30870/5=6174 кг (сезон) и М2=177/5=36 кг (день).
Что представляет из себя пеллетный котел
Одним из главных минусов дровяных котлов длительного горения является само топливо, оно громоздкое и требует много места для хранения.
Классические твердотопливные котлы для обогрева частных домов созданы для сжигания дров, каменного угля, кокса и прочих твердых видов топлива. Для этого они оснащаются большой топкой, в которой осуществляется сжигание топлива с выделением большого количества тепла. Такие котлы требуют постоянного подкидывания все новых порций дров и угля – прогорают они достаточно быстро, что приводит к постепенному остыванию отопительной системы.
Появившиеся в продаже твердотопливные котлы длительного горения, используемые для отопления частных домов, порадовали своих владельцев уменьшенным количеством подходов для загрузки горючего – некоторые из них умеют работать до 8-10 часов, в зависимости от используемого топлива. Такой подход позволяет рассчитывать на длительную и бесперебойную работу – можно быть уверенным, что к утру в комнатах не похолодает.
Альтернативой котлам длительного горения стали пеллетные котлы, работающие на специальных горючих гранулах – пеллетах. Такое топливо выделяет большое количество тепловой энергии и обладает множеством преимуществ перед дровами и углем:
- Доступная стоимость – благодаря тому, что пеллеты представляют собой продукт, созданный из различных отходов, их стоимость находится во вполне доступном диапазоне;
- Удобство хранения – достаточно сложить мешки с гранулами в любом удобном месте. Также для этого можно предусмотреть вместительный бункер;
- Удобная дозировка – пеллеты являются сыпучим и очень легким горючим материалом, поэтому их можно дозировать с точностью до нескольких грамм. Также их очень удобно засыпать – для этого можно воспользоваться глубокой лопаточкой.
Пеллеты сгорают практически полностью, оставляя после себя минимальное количество золы. Также в продаже присутствуют низкозольные модификации, сгорающие чуть ли не на 100%.
Пеллетный котел для отопления дома представляет собой довольно внушительный агрегат, работающий на гранулах-пеллетах. Хранение топлива осуществляется в бункере, размеры которого могут быть как маленькими, так и очень большими. Пеллетное горючее постепенно поступает в камеру сгорания, где оно сгорает с выделением большого количества тепла. После этого тепло поглощается теплообменником.
Перепад температур между камерой сгорания и выходом теплообменника очень большой – продукты сгорания остывают здесь с температуры +800-900 градусов до +100-120 градусов.
Пеллетные котлы для дома состоят из следующих узлов:
- Бункер – здесь хранится пеллетное горючее, которое забирается в камеру сгорания. Некоторые модели пеллетных котлов обладают очень большими бункерами, что позволяет рассчитывать на самый длительный прогрев и непрерывную работу отопления частного дома на протяжении нескольких дней подряд>;
- Шнек – обеспечивает плавное поступление гранул-пеллет в рабочую камеру, он приводится в движение электродвигателем;
- Камера сгорания – здесь происходит процесс горения;
Основные агрегаты и узлы пеллетника.
- Горелка – в этом модуле воспламеняются и горят пеллеты. Можно сказать, что камера сгорания и горелка – это один и тот же узел;
- Теплообменник – здесь происходит передача тепла в систему отопления. Теплообменники могут быть самыми разными, начиная от плоских стальных и заканчивая многоходовыми чугунными;
- Модуль управления – контролирует подачу топлива в топку, проверяет рабочие параметры, следит за безопасностью.
Пеллетные котлы, используемые для отопления частных домов, содержат в себе и многие другие узлы – это сборники золы, предохранительные клапаны, системы розжига и многое другое. Но основными являются именно вышеуказанные модули – они отвечают за создание тепла и его передачу в систему отопления частного дома.
Работают пеллетные котлы для дома примерно так же, как и обычные твердотопливные котлы. Шнек забирает пеллеты из бункера и направляет их в горелку, где происходит их сгорание. Полученное тепло забирается теплообменником, а остатки отправляются в атмосферу. Многие пеллетные котлы оснащаются системами принудительной подачи воздуха в камеру сгорания и вентиляторами дымоудаления – все это позволяет обеспечить более эффективное сжигание пеллетного топлива.
Благодаря автоматической подаче горючего, пеллетные котлы не требуют частых подходов. Одной загрузки хватает на несколько часов, а то и на несколько дней. Более того, самые продвинутые образцы самостоятельно поддерживают температуру в системе, регулируя подачу пеллет и горение пламени – для этого они оснащаются многофункциональными системами автоматики.
Подготовка помещения
При установке пеллетного котла в первую очередь надо правильно подготовить помещение, где будет находиться генератор отопления. Лучше использовать удаленную от жилья зону (хорошо подойдут подвалы, придомовые пристройки, гаражи, иногда котлы ставят на чердаках).
Если помещение с котлом будет находиться по близости к жилым комнатам, то лучше позаботиться о плотной герметичной двери и покрытии полов и дверей моющимися материалами (на них будет постоянно оседать древесная пыль, зола). Лучшим вариантом для облицовки является стандартная кафельная плитка.
Площадь помещения под котел с мощностью 15-18 кВт не должна быть меньше 2,5-3 кв. м., иначе это нарушает правила пожарной безопасности. Температура в помещении не была ниже +10 градусов, чтобы этого добиться стены и потолок можно утеплить пенопластом (достаточно слоя в 10 сантиметров). Необходимости в радиаторах нет.
Влажность выше 40% не приветствуется, так как она снизит эксплуатационный срок системы – если в помещении попадает вода с крыши или через стены, то придется сделать по периметру обшивку гидроизоляционным мембранным материалом.
Еще несколько важных условий при подготовке помещения:
- Наличие приточной вентиляции. Достаточно отверстия диаметром 12-15 сантиметров. Никаких особо сложных систем кондиционирования не требуется. Можно сделать вытяжку, чтобы в помещении было комфортно находиться.
- Наличие доступа к дымоходу или организация нового. Для пеллетных котлов подходит только дымоход типа «сэндвич» (с наличием слоя утеплителя). Высота трубы должна быть не менее 5 метров. Рекомендовано устройство сборника конденсата, чтобы скопление влаги не нарушала работы печи.
- Наличие электропитания в помещении. Пеллетные котлы для автоматизации работы требуют электричества. Также рекомендовано провести свет в помещение, что значительно облегчит работы по обслуживанию печи.

Общая схема, но подробнее читайте ниже
Достоинства и недостатки пеллетного отопления
К преимуществам относят:
- отсутствие регулярного обслуживания;
- в процессе горения нет неприятных запахов;
- 100% сгорание сырья;
- высокий КПД;
- простоту транспортировки, удобство складирования, хранения сырья;
- возможность подключить контур ГВС – это есть почти во всех котлах;
- простой монтаж.
Чтобы выяснить калорийность пеллет для отопления, нужно посмотреть в техническую документацию. У гранул из древесины теплоотдача считается самой высотой, у гранул из ТБО – самой низкой. Хранить пакеты или мешки с брикетами следует в проветриваемом и защищенном от воды помещении.
Минусы:
- Высокая цена котлов. Оборудование стоит намного дороже, чем газовые или твердотопливные котлы.
- Нужно чистить от золы, но все зависит от типа котла. Регулярность очистки – не чаще 2 раз в неделю.
- Газовое оборудование стоит дешевле, также нужно учитывать возможные перебои с поставкой пеллет, особенно при отсутствии в регионе производителей сырья.
Поэтапное описание установки
Специалисты не советуют проводить установку и обвязку пеллетных котлов отопления по схемам из интернета новичкам, никогда до этого не имевшим дело с отопительными и водопроводными системами
Но знание того, как проводится монтаж и какие нюансы важно соблюдать в работе, позволит проконтролировать работу подрядчиков.. Установка системы проводится по следующей схеме:
Установка системы проводится по следующей схеме:
- Монтаж главного оборудования:
- Установка котла в обустроенном месте.
- Установка топливного бункера в стороне от котла.
- Установка в бункере шнековых податчиков пеллет.
- Фиксация трубы податчика пеллет хомутами.
- Установка горелка, приемной трубы и шланга.
- Обвязка пеллетного котла.
- Заполнение системы в соответствии с указанным рабочим давлением.
- Подсоединение к дымоходу. Сечение дымохода должно соответствовать сечению дымоотводящего патрубка котла. Естественная тяга должна быть не менее 12 Па.
- Установка дополнительных элементов вроде предохранительных клапанов (они не обязательны, но повышают удобство и безопасность пользования).
- Подсоединение к электросети. При повышенном риске регулярных отключений электроэнергии рекомендуется дополнить систему подходящей моделью ИБП.
Внимание: в статье приведена общая схема монтажа. Детали установки могут отличаться в зависимости от особенности конкретной модели
Более подробная схема дается в инструкции, которая должна обязательно выдаваться при покупке котла.
ПРИМЕРЫ ИЛЛЮСТРАЦИЙ ПО ТЕМЕ:

Установка основы котла, топливного бункера

Два варианта подсоединение к дымоходу
На что обратить внимание при выборе котельного агрегата
Коэффициент полезного действия (КПД) – самый важный пункт, на который стоит обратить внимание, т. к
именно он показывает экономичность отопительного прибора. Обычно производителями указывается КПД 85–98 %, однако в реальности он зависит от корректности настройки, качества гранул и особенностей конструкции.
Основные характеристики автоматических пеллетных котлов:
| Тип горелки | |
| ретортная (мясорубочная) – «всеядная» вертикальная горелка, но использование менее теплоёмкого топлива снижает КПД | стокерная (факельная) – горизонтально направленная горелка, эффективная, но требовательная к качеству топлива |
| Материал теплообменника | |
| сталь – прочный, но (при толщине до 6–8 мм) подверженный прогоранию материал | чугун – долговечный, но хрупкий при неправильной эксплуатации материал |
| Система управления | |
| встроенный контроллер – управляющий блок, расположенный на котле, управляет процессами загрузки гранул и нагрева | полная автоматизация – опции подачи, розжига, нагрева, самоочистки, термо- и фотодатчик, таймер и система защиты |
| Максимальная мощность | |
| необходимая для отопления дома мощность котла рассчитывается индивидуально, но в любом случае покупать прибор рекомендуется с небольшим запасом – 10–20 % | |
| Контур отопления | |
| одноконтурные – предназначены только для обогрева самого пространства дома | двухконтурные – позволяет нагревать воду для санитарных и бытовых нужд |
Также стоит обратить внимание на оснащение котла устройством для завихрения топливных газов: благодаря ему часть тепла не уходит в дымоход, а максимально передается системе отопления, что повышает КПД, а также оно препятствует золообразованию, т.к. пеллеты практически полностью прогорают
Как выбрать комнатный термостат для котла отопления и экономить до 30% каждый месяц
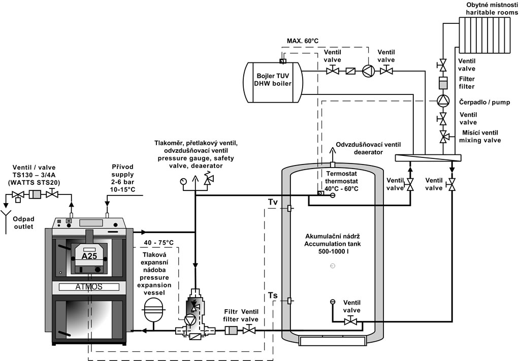
Схема подключения пеллетного котла
Схема подключения пеллетного котла в систему отопления дома идентична схеме подключения любого теплогенератора, будь то газовый котел или котел на дизельном топливе.
Нижний патрубок котла врезается в обратку, верхний патрубок врезается в подачу. Горение пеллет в горелке котла строго контролируется при помощи двух факторов:
- подача топлива шнеком,
- подача воздуха вентилятором.
А потому перегрев котла в штатной ситуации невозможен. Значит, обвязывать металлом подачу котла нет необходимости. Схема пеллетного котла с полипропиленовыми или металлопластиковыми трубами прекрасно работает у многих хозяев долгие годы.
![]()
![]()
А для внештатных ситуаций, вызванных авариями в линиях электропередач или отказом контроллера котла, стоит предусмотреть схему аварийного отключения подачи топлива и воздуха в камеру сгорания котла. То количество пеллет, которое на момент аварии будет находиться в топке котла, уже неспособно вызвать перегрев теплоносителя в системе отопления.
При такой простоте обвязки, монтаж пеллетных котлов может производить не специализированная организация, а любая строительная организация с лицензией.
Только не доверяйте монтаж пеллетных котлов первым встречным «шабашникам». Это тепловой прибор, предназначенный для сжигания древесного топлива, он является источником повышенной пожарной опасности. И потому установить котел пеллетный они, может быть, и смогут. А вот настроить его и обеспечить пожарную безопасность – уже вряд ли.
Большинство пеллетных котлов изготавливается с применением котловой стали, доля чугунных котлов на пеллетах на рынке невелика. Это связано с тем, что высокая температура сгорания пеллет локализована либо в факеле дутьевой горелки, либо в чашке ретортной горелки. А потому нет необходимости делать весь котле из чугуна, как в случае с угольными или дровяными котлами.
![]()
Значит, для установки пеллетного котла не нужен отдельный фундамент или усиленные перекрытия. Обычный котел мощностью в 20-40 киловатт весит от 150 до 300 килограммов, что позволяет устанавливать его на перекрытие самой обычной котельной, без всякого усиления.
Далее, поскольку золы от сгорания пеллет образуется весьма и весьма немного, нет необходимости часто чистить котел и выгребать золу. Достаточно купить пеллетный котел с объемным зольником и чистить котел 1 раз в неделю. Некоторые товарищи подходят к своему котлу 1 раз в месяц, но это уже, я считаю, перебор. За котлом надо следить и обслуживать его.
Подключение и настройка
После того, как установка котла завершена, можно осуществить тестовое включение и проверку. Для этого необходимо сделать следующие шаги:
- Подключить кабель к электропитанию.
- Поместить вручную пеллеты в топливный отсек (бункер).
- Включить котел, загрузить пеллеты из бункера в горелку (это делается нажатием соответствующих клавиш на приборной панели).
- Проверить на панели, что загорелись все индикаторы: включения устройства, запуска горелки, наличия пламени, установки таймера, работы шнека, внутреннего вентилятора, насоса.
- Убедиться в наличии нормальной тяги и герметизации всех стыковочных элементов котла.
По умолчанию включается автоматическая заводская настройка пеллетных котлов. Специалисты не советуют на них надеяться и при первом подключении проверить все параметры. Они все отображаются на дисплее. Там же можно производить корректировку и смену режимов.
При необходимости на панели можно настроить пеллетный котел под свои требования: изменить расход топлива, время работы, мощность оборудования
Важно отрегулировать подачу пеллет шнеком из бункера (он должен постоянно находиться на уровне верхнего края или чуть ниже)
Производство пеллет своими руками
Достаточно большое количество потребителей после разбора всех достоинств древесных пеллет решают изготавливать их самостоятельно. Можно соорудить даже самодельный станок, способный значительно облегчить работу.
В продаже можно найти и мобильные грануляторы. Они представляют собой прессы. Благодаря этому может быть оборудована своя линия изготовления пеллет. Сырье должно отвечать заявленным требованиям. Собрать гранулятор для пеллет своими руками можно по простой схеме.
Поскольку технология изготовления древесных гранул заключается в обработке отходов, необходимо полностью разобраться в процессе. Сначала крупные части древесины необходимо раздробить на более мелкие. В качестве исходного сырья могут использоваться различные отходы деревобрабатывающего производства.
Сегодня практически каждый владелец частного дома может купить небольшую дробилку. После измельчения материала получаются частицы мелкой фракции, которые впоследствии можно использовать для создания пеллет.
Важно следить за влажностью сырья для пеллет. Максимальный порог этого показателя составляет 12%
Однако такие отходы могут получиться лишь при дроблении сухих отходов древесного производства. В остальных случаях влажность может составлять 40-50%. В некоторых случаях люди не задумываются об этом, судя о влажности опилок по их внешнему виду.
Однако при использовании пеллет, которые были произведены из сырого материала, котел будет работать только на 50% своих возможностей. Кроме того, отопительное оборудование при сгорании таких пеллет покрывается сажей изнутри. Поэтому определение влажности материала и последующая сушка – важные этапы производства пеллет.
Чаще всего исходное сырье обладает уровнем влажности 40-50%. Просушивается материал в специальных устройствах, в зависимости от предпочтений и возможностей владельца дома:
- аэродинамическая сушилка;
- сушильный барабан;
- ленточная сушилка;
- диспергатор.
Если не вдаваться в особенности эксплуатации таких устройств, следует помнить – для того, чтобы влага испарилась из древесины, понадобится выполнить ее тепловую обработку. Владельцу небольшого производства пеллет в любом случае придется изготовить самодельную сушильную установку и потратиться на энергию для ее разогрева.
На следующем этапе работ производится сжатие материала с последующим формированием гранул. Такая процедура выполняется на специальном оборудовании – пресс-грануляторе. Основной деталью устройства является матрица. Каждое из подобных устройств оснащается мощным электромотором.
В промышленности гранулятор оборудуется матрицей цилиндрического типа. В таком агрегате исходный материал подается в цилиндр, в котором имеется много отверстий. Затем сырье прессуют катками.
Под значительным давлением опилки начинают принимать форму выполненных в стене барабана отверстий. Они становятся отвердевшими пеллетами. При помощи отрезного ножа материал, вытолкнутый наружу, срезается. Благодаря этому пеллеты получаются одинакового размера.
Если производство реализовано в небольших объемах, лучше выбрать пресс с плоской матрицей. В этом случае исходный материал засыпается сверху на специальный диск, в котором выполнены отверстия. Сверху он испытывает давление катков. Материал, находящийся между этими деталями, прессуется и выпадает в нижерасположенную емкость.
Такую конструкцию легко собрать своими руками. Этим пользуются многие домашние мастера. Для этого необходимо приобрести матрицу и электромотор. Затем эти детали следует зафиксировать на раме из металлического профиля. Затем монтируют приводные шкивы и бункер, в который будут отправляться готовые пеллеты.
Важно! Прессовые агрегаты, выполненные своими руками, редко имеют высокую производительность. Чтобы не находиться около них с емкостью для сбора пеллет, можно установить дополнительный конвейер, который будет подавать полученное сырье из бункера
Подготовка котельной к установке агрегата
Твердотопливные котлы с открытой камерой горения необходимо размещать в отдельных специальных помещениях – котельных. Такие помещения обустраивают в подвале или же в цоколе, оборудуя их системой интенсивного вентилирования для обеспечения нормальной работы твердотопливного агрегата.
В случае необходимости выполняют заливку специального фундамента в месте предполагаемой установки отопительного агрегата
Котлы, потребляющие твердое топливо, можно установить собственноручно, причем без каких-либо согласований с соответствующими службами. Однако в процессе установки твердотопливного котла необходимо соблюдать комплекс правил.
Так, пол в месте установки твердотопливного котла следует сделать идеально ровным и прочным. В большинстве случаев котлы устанавливают на специальные плиты, изготавливаемые из негорючих материалов.
В некоторых случаях котел располагают на ровном основании из бетонной стяжки, толщиной от 50 мм
Устанавливать котел следует на некотором расстоянии от стен. Зазор между задней стенкой котла и стеной помещения должен составлять как минимум 60 см, при этом расстояние между стеной котельной и передней поверхностью котла должно составлять не менее 25 см.
Перед установкой отопительного агрегата стены и пол помещения котельной необходимо покрыть противопожарным материалом с минимальным пределом огнестойкости 0,75 ч. Для этих целей могут быть использованы: листы металла, базальтового картона, минерита или же асбестоцемента.
Также помещение котельной должно быть оборудовано системой слабоприточной вентиляции. Это может быть обычное окно, или же отверстие, проделанное в стене. При этом его площадь рассчитывается исходя из мощности котла: на 1 киловатт мощности котла должно приходиться 8 квадратных сантиметров вентиляционного проема.
В случае, когда помещение котельной оснащено только освещением, в нем стоит установить и розетки с питанием от электросети в 220 V.
Если котел размещен от стены на расстоянии менее 38 сантиметров, достаточно изолировать эту стену листом огнестойкого материала
Жаропрочным листом стоит закрыть пол непосредственно в месте установки котла, чтобы защитный материал выдавался вперед на 80 см от передней стенки котла. Эта мера поможет избежать возникновения пожара в случае выпадения жара из топки.
Все производители тепловых агрегатов в инструкциях по монтажу своей продукции рекомендуют возводить фундамент для установки на него котла. Так, если котел малой мощности, вес которого не превышает 200 кг, его со спокойной душой можно устанавливать на основу из цементной стяжки. В случае верного обустройства она без проблем выдерживает такого рода нагрузки.
А вот для монтажа агрегата, вес которого превышает 300 кг, целесообразно соорудить основу из армированной железобетонной стяжки. Причем ее толщина должна составлять от 10 до 12 см. Если же вес котла превышает 300 кг, то его нужно устанавливать исключительно на основание, состоящее из отдельной фундаментной плиты.
Монтаж пеллетных котлов с электродвигателем и пеллетным шнеком производят на специально залитый фундамент, чтобы минимизировать влияние вибрационной нагрузки на основание под ними
Твердотопливные котлы разрешено устанавливать на пол из дерева. Однако для начала место установки придется подготовить собственноручно, предварительно усилив его брусообразными лагами, сечение которых составляет как минимум 100х50 мм.
Если же в котельной запланирована установка дополнительного тяжелого оборудования, то делать заливку фундамента под каждую его единицу нецелесообразно. В таком случае гораздо проще залить так называемые промышленные полы, то есть сделать стяжку из бетона на высоту 12 см.
При этом ее наполнением должна быть арматура диаметром от 8 до 14 мм. Затем нужно сделать плотную подушку из щебня, а сверху положить сетку с размером окошка 20х20 см.
Площадь помещения, отведенного для оборудования котельной, должна составлять не меньше 15 квадратных метров, при высоте потолка 2,5 метров
Исходя из того, как подключен котел к дымоотводу: через крышу или же через стену, необходимо спроектировать размещение отверстия, через которое будет выведена труба дымохода и проделать его. При этом ее внутренний диаметр должен совпадать с диаметром выходной горловины твердотопливного агрегата или же быть чуть больше.
Обвязка пеллетного котла отопления схема — Отопление частного дома
В то время как многоэтажные дома уже оборудованы таким благом цивилизации как отопление, для частного дома или загородного этот вопрос остается проблемным, но можно найти много решений, которые спасут ситуацию. Влияющим фактором на выбор метода отопления помещения является экономия будущей системы отопления. На данный момент, самым дешевым и выгодным вариантом является магистральный газ, но только его практически не проводят к загородным и частным домам. Поэтому их владельцам приходится искать другие варианты, к ним относится Пеллетная установка.
Установка пеллетного котла: пошаговая инструкция
Перед тем как заняться монтажом пеллетного котла своими руками самостоятельно, очень важно подготовить отдельное помещение, пол и стены, в котором должны быть сделаны из материала, который не горит. Пол лучше всего сделать бетонным или с керамической плиткой
Позаботьтесь о том, чтобы расстояние между установкой и стенами было достаточным для его обслуживания, а поверхность, на которой он стоит идеально ровной
Что касается пространства между лицевой стороной установки и стеной напротив него, то она должна составлять не менее одного метра. Приемлемая температура в помещении, где находится котел не ниже +10 градусов
Позаботьтесь о том, чтобы расстояние между установкой и стенами было достаточным для его обслуживания, а поверхность, на которой он стоит идеально ровной. Что касается пространства между лицевой стороной установки и стеной напротив него, то она должна составлять не менее одного метра. Приемлемая температура в помещении, где находится котел не ниже +10 градусов.
Еще одним важным условием в установке является правильное обустройство котельной, а именно вытяжки и вентиляции, ведь топка котла поглощает большое количество воздуха при горении, а все результаты горения распространяют снаружи.
https://youtube.com/watch?v=KCT%25D0%25A5%25D0%25B0%25D1%2580%25D1%258C%25D0%25BA%25D0%25BE%25D0%25B2
Существует 6 правил, которые нужно соблюдать при монтаже и проектировании:
- Диаметр разъема для выхода дыма должен быть меньше чем у сечения дымохода, он рассчитывается исходя из того какая мощность у котла;
- Труба дымохода должна быть выше крыши минимум на полметра;
- Дымоход должен быть изготовлен исключительно из материала, который не горит и не пропускает газ;
- Позаботьтесь о том, чтобы внизу дымохода был расположен разъем для выхода газа;
- Обязательно защитите дымоход от возможных осадков, проведите дополнительную теплоизоляцию;
- В дымоходе должно находится полотно, которое закроет отверстие и обеспечит доступ для того чтобы вовремя почистить его внутри.
Особенности работы пеллетных котлов
Отопительное оборудование, использующее в качестве топлива спресованные древесные гранулы, появилось относительно недавно. Но с момента своего изобретения такие котлы сразу же завоевали признание миллионов покупателей.
Если нет возможности установить в доме газовое оборудование, то рекомендуется покупка именно пеллетного котла.
К преимуществам этого вида теплогенераторов следует отнести:
- Автономность. Благодаря наличию блока управления и системы автоматического включения горелок, один раз загрузив топливо, можно забыть об этом на 2-4 недели.
- Безопасность. Пеллетные котлы имеют многоступенчатую защиту, что позволяет избежать взрыва трубопровода и пожара.
- Эффективность. В среднем коэффициент полезного действия оборудования колеблется от 87 до 97 %.
- Дешевизна обслуживания. Пеллеты стоят недорого, а очищать зольник нужно не более одного раза в месяц.
- Долговечность. Срок эксплуатации агрегатов составляет не менее 25 лет.
- Компактность. Чаще всего модели имеют сравнительно небольшие размеры.
Если ознакомиться с преимуществами этого типа отопительного оборудования, то становится понятно, почему оно настолько быстро завоевало популярность среди жителей Европы и Америки.

Если верить статистике, то пеллетные теплогенераторы в ближайшие годы займут лидирующие позиции как на отечественном, так и на мировом рынке
Повсеместному распространению агрегатов, работающих на пеллетах, мешает довольно высокая стоимость. Далеко не каждый желающий сможет вот так сразу выложить кругленькую сумму за сам котел, горелку и дополнительное оснащение.
Конструкция котла
Основные детали, из которых состоит пеллетный котел:
- Бункер для заброса топлива.
- Механизм подачи пеллет.
- Модуль, которые автоматически поджигает гранулы.
- Зажигалка.
- Температурный датчик.
Существует несколько типов пеллетных котлов для дома, которые отличаются своими функциями и параметрами. Встроенный бункер иметь литую часть и без тщательного разбора его невозможно отделить от основания. Объём бункера требует постоянного заброса новых гранул. Одним из преимуществ бункера является его простая и удобная конструкция. Внешний бункер может быть сделан из пластмассы, фанеры либо использовать специальный бункер для сыпучих материалов.
Из-за экономности и высокой теплоотдачи, пеллетные котлы для дома продаются на полках многих магазинов по всему миру и считаются одним из самых чистых источников энергии. Преимущества такого котла в том, что во время выделения тепла твердые гранулы сгорают до конца, не оставляя обгорелых кусков. Такой котел намного легче чистить. Минимальные остатки с котла можно использовать в садоводстве для удобрения растений. Система отопления, поскольку конструкция котла не позволит этого. Двойная стенка имеет охлаждающий водяной контур, что является защитой от перегрева.
Чтобы выводить продукты сжигания, в конструкции пеллетного котла находится дымовая камера. Для увеличения теплоотдачи в некоторых котлах есть отражающая панель.
С каждым годом цены на электричество и газ растет, что вынуждает конструкторов создавать более автоматизированные устройства. Таким образом, каждая новая модель является универсальной и минимизирует вероятности вмешательства человека. Чтобы обеспечить себя теплом на долгое время достаточно полностью заправить бункера твердым топливом.
Что такое пеллентный котёл для отопления частного загородного дома
Пеллетный котел — это вид твердотопливного котла, работающий за счет использования специальных горючих гранул — пеллет. Пеллетное топливо имеет ряд преимуществ:
- Низкая стоимость.
- Удобное хранение. Горючие гранулы не занимают много места. Их длина — 7 см., а диаметр — 5—10 мм.
- Нескольких мешков топлива хватит на всю зиму.
Фото 1. Пеллетный котёл, установленный в помещении. Рядом хранится запас пеллет для сжигания в устройстве.
Устройство агрегата и принцип работы
Пеллетный котел состоит из 3 элементов:
- из емкости, оборудованной горелкой для сжигания топлива;
- из конвективной системы, в которой расположен теплообменник;
- из бункера, содержащего бак для отходов горения.
Для работы прибора требуется приставка, обеспечивающая своевременную подачу топлива. Пеллетный котел оснащен блоком управления, с помощью которого задают параметры работы устройства.
Теплообменник изготавливается из стали или чугуна. Зарубежные производители предпочитают использовать чугун. На нем не появляется ржавчина, но этот материал плохо реагирует на изменения температуры и много весит. В России модели комплектуются стальными теплообменниками. Они быстро реагируют на перепады температуры, мало весят, но предрасположены к появлению коррозии. Поэтому большинство производителей покрывают котлы антикоррозийным составом.
В топку котла подаются пеллеты, там они полностью сгорают. За счет этого нагревается теплоноситель, который распространяет тепло по всему помещению.
От размеров бункера зависит время подачи пеллет. Периодически требуется чистить каналы от накопившихся выбросов.
Преимущества
- Работа устройства безопасна для окружающей среды. Материалы для горения не содержат примесей.
- Агрегат экономичен. Пеллеты в котле полностью сгорают и расходуются в минимальном количестве.
- Модельный ряд твердотопливных котлов разнообразен.
- Процесс работы устройства автоматизирован.
- При правильной эксплуатации котел прослужит долгие годы.
Недостатки
- Высокая цена. Хотя ценовая политика у многих производителей демократична, купить пеллетный котел могут позволить себе не все.
- Часть моделей пеллетных котлов работает от электричества, поэтому стоит заранее позаботиться об источнике тока или генераторе.
2 Преимущества и недостатки
Составить грамотно схему и знать устройство агрегата недостаточно для полноценного взвешенного решения создать самодельную печь, работающую на прессованных отходах из древесины. Необходимо также учесть все достоинства и недостатки конструкции.
К основным положительным моментам можно отнести:
- особенную экономичность, так как не требуется использование дров или угля;
- высокий коэффициент полезного действия, выше можно встретить лишь у газовых печей;
- высокую теплотворность пеллетов;
- невысокую стоимость топлива;
- полную безопасность в эксплуатации;
- возможность полной автоматизации процесса;
- отсутствие необходимости участия человека, так как автоматика контролирует и подачу топлива, и температурный режим;
- долговечность и надёжность.
К преимуществам можно отнести и такую особенность печей на пеллетах, как отсутствие неприятных запахов и чёрного дыма, что делает конструкцию экологичной.
Но есть у подобных агрегатов и неприятные стороны, которые также нужно учесть при составлении схемы отопительного оборудования.
- высокая стоимость комплектующих импортного производства для самостоятельной сборки печи;
- ввиду того что производство древесных гранул не очень развито, появляется сложность с покупкой топлива;
- для автоматизации процесса придётся дополнительно учесть расходы электроэнергии, так как всё оборудование автоматики работает на электричестве.
При остановке агрегата на время более 10 часов, необходимо проводить новую настройку.
Также придётся подумать и об источнике питания. Во избежание непредвиденных отключений электроэнергии лучше будет установить автономный генератор.






























